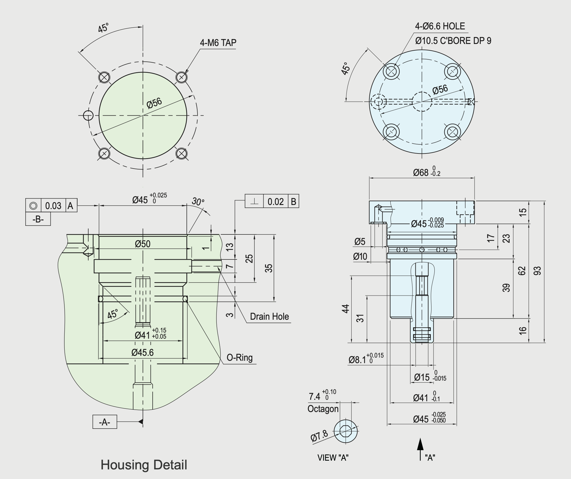
SRJ01-204-01 Bore Mounted Rotary Union

SKT® Bore Mounted Rotary Joint :
- bore mounted rotary union/rotary joint
- Available for high speed operating without media, thanks to SKT own developed high quality Seal.
- Anodizing Aluminum body.
- Available for high speed operating without media, thank to Auto off Seal.
- Stainless Steel Rotor due to resisting property for corrosion, abrasion, heat and cold condition.
Operating Data :
- Max.Pressure : 100 bar
- Max.RPM : 10.000
- Max.Temperature : 70°C
- Max.Flow : 24 L/min
