HCA Hydraulischer Schwenkpanner - optional pneumatische Positionsabfrage
Hydraulischer Schwenkspannzylinder - Hochleistung - doppelt wirkend:
- Kompakte Baugröße für einen Einsatz in sehr engen Räumlichkeiten
- robuste, zuverlässige und langlebige Bauweise mit hohen Spanngeschwindigkeiten
- Die Innenoberflächen des Zylinders gewährleisten durch spezielle Behandlungen eine maximale Leichtläufigkeit, besonders hohe Leistungsfähigkeit und lange Lebensdauer.
- Hohe Spannkräfte von bis zu 28kN (siehe Tabelle)
- Die Spannkraft ist abhängig von der Spanneisenlänge und dem Hydraulikdruck
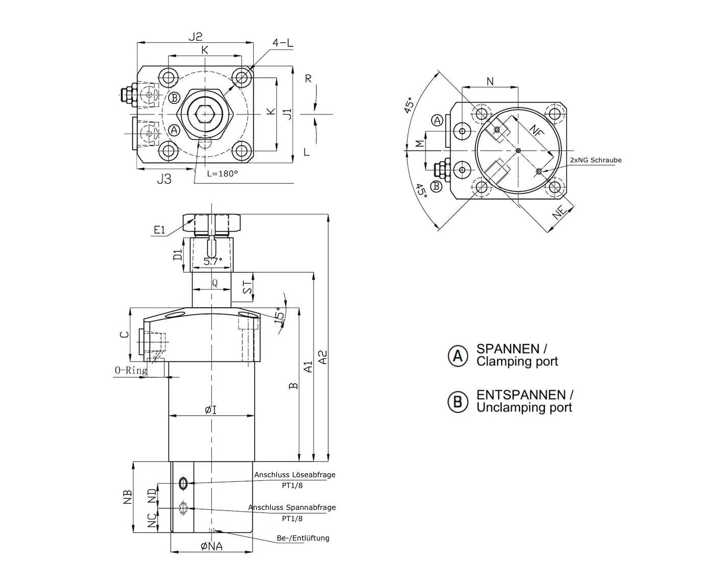
- optionale Ausführungen mit Endlagenabfrage bei Tiefbohrung, Verrohrung und durchgehender Kolbenstange
- Min. Betriebsdruck : 15 bar (kgf/cm2)
- Max. Betriebsdruck : 70 bar (kgf/cm2)
- Betriebstemperatur : -10 ~ +70°C
- Zugelassene Flüssigkeit:Universal-Mineral-Hydrauliköl (entsprechend ISO-VG32)
- u.a. alternativ passend für LKA, CHA usw...
Hinweise :
- Vermeiden Sie zu hohe Spanngeschwindigkeiten !
- Um die Spanngeschwindigkeiten gezielter kontrollieren zu können, wird der Einsatz eines Ölmengenregelventils (Durchflussregelventils) empfohlen.
- Auf Wunsch optional mit Spanneisen lieferbar
- Modifizierungen nach Kundenwunsch sind realisierbar
- CAD-Daten stehen unten zum Download bereit ! KURZE LIEFERZEITEN !!
Beispiel-Bestellcode:
HCA-040-SL90-GM
Baureihe – Baugröße – Spannarm – Schwenkrichtung – Schwenkwinkel – Anschlusstyp – Positionsabfrage
| ① | BAUREIHE | HCA | |
| ② | Baugröße/ Aussenndurchmesser ØI des Zylinders |
036 :ØI = 36mm
040 :ØI = 40mm 048 :ØI = 48mm 055 :ØI = 55mm 065 :ØI = 65mm
075 :ØI = 75mm 090 :ØI = 90mm 105 :ØI = 105mm |
|
| ③ | Spannarm-Variante | S :einseitiger Spannarm D :doppelseitiger Spannarm |
|
| ④ | Schwenkrichtung | R : Rechts (im Uhrzeigersinn) L :Links (gegen Uhrzeigersinn) |
|
| ⑤ | Schwenkwinkel | Standardwinkel : 90° (±2°) optional : 30° (±2°), 45° (±2°), 60° (±2°) |
|
| ⑥ | Anschlusstyp | Leer :Standard Rohrleitungsanschluss G :O-Ringanschluss C :O-Ringanschluss mit Drosselventil |
|
| ⑦ | Positionsabfragemethode | Leer :Ohne Positionsabfrage (Standard) M :Pneumatische Positionsabfrage bei Tieflochbohrung N :Pneumatische Positionsabfrage bei Verrohrung D :Durchgehende Kolbenstange für Positionsabfrage |
| Model | Spannkraft bei 70 bar | Schwenkhub | Spannhub | Gesamthub | Ölbedarf Spannen | Ölbedarf Entspannen | eff. Kolbenfläche Spannen | eff. Kolbenfläche Entspannen | CAD |
|---|---|---|---|---|---|---|---|---|---|
| [kN] | [mm] | [mm] | [mm] | [cm³] | [cm³] | [cm²] | [cm²] | ||
| HCA-36 | 2,2 | 5,5 | 8 | 13,5 | 4,24 | 6,63 | 3,14 | 4,91 | |
| HCA-40 | 3,16 | 6,5 | 8 | 14,5 | 6,55 | 10,24 | 4,52 | 7,07 | |
| HCA-48 | 4,07 | 7,5 | 8 | 15,5 | 9,02 | 14,91 | 5,82 | 9,62 | |
| HCA-55 | 7,70 | 8,5 | 10 | 18,5 | 20,35 | 29,42 | 11,00 | 15,91 | |
| HCA-65 | 8,80 | 10 | 10 | 20 | 25,14 | 38,60 | 12,57 | 19,63 | |
| HCA-75 | 14,89 | 12 | 12 | 24 | 51,00 | 74,78 | 21,27 | 31,16 | |
| HCA-90 | 19,78 | 14 | 12 | 26 | 73,48 | 114,82 | 28,26 | 44,16 | |
| HCA-105 | 27,89 | 16 | 16 | 32 | 127,49 | 203,50 | 39,84 | 63,59 |
| Maß | Gesamthub | Schwenkhub | Spannhub | A1 entspannt | A2 entspannt | B | C | D1 | E1 | ØI | J1 | J2 | J3 | K | L | M | N | Q | Rohrleitungs- anschluss | O-Ring | MAf8 | MAH8 | MB | MC | MD | ME | MF | MG | MH | MJ | MK | ML | MM |
|---|---|---|---|---|---|---|---|---|---|---|---|---|---|---|---|---|---|---|---|---|---|---|---|---|---|---|---|---|---|---|---|---|---|
| HCA-036M | 13.5 | 5.5 | 8 | 80 | 104 | 64.5 | 25 | 14 | M14×1.5 | Ø36 | 40 | 49 | 29 | 31.4 | Ø4.5-Ø7.5 X5D |
16 | 23.5 | Ø15 | PT1/8 | P5 | 34.5 | 34.5 | 32 | 35.7 | 49.4 | 62.4 | 40 | 4.9 | 9 | 4 | 6.5 | 73.4 | 1.1 |
| HCA-040M | 14.5 | 6.5 | 8 | 88 | 115 | 71.5 | 25 | 16 | M16×1.5 | Ø40 | 45 | 54 | 31.5 | 34 | Ø5.5-Ø9 X6D |
18 | 26 | Ø18 | PT1/8 | P5 | 38 | 38 | 36 | 39.2 | 57.5 | 70.5 | 47 | 6 | 9 | 4 | 6.5 | 81.5 | 1.5 |
| HCA-048M | 15.5 | 7.5 | 8 | 96.5 | 128.5 | 79 | 28 | 19 | M20×1.5 | Ø48 | 51 | 61 | 35.5 | 40 | Ø5.5-Ø9 X6D |
22 | 30 | Ø22 | PT1/8 | P5 | 45 | 45 | 40 | 46.2 | 65.4 | 78.9 | 53 | 7.9 | 9 | 4.5 | 8 | 91.4 | 1.5 |
| HCA-055M | 18.5 | 8.5 | 10 | 109.5 | 145.5 | 89 | 30 | 22 | M22×1.5 | Ø55 | 60 | 69 | 39 | 47 | Ø6.8-Ø11 X7D |
24 | 33.5 | Ø25 | PT1/8 | P5 | 45 | 45 | 40 | 46.2 | 73.4 | 86.9 | 61 | 7.9 | 9 | 4.5 | 8 | 99.4 | 1.5 |
| HCA-065M | 20 | 10 | 10 | 116 | 156 | 94 | 31 | 25 | M27×1.5 | Ø65 | 70 | 81 | 46 | 55 | Ø6.8-Ø11 X7D |
30 | 39.5 | Ø30 | PT1/4 | P7 | 45 | 45 | 40 | 46.2 | 79.4 | 92.9 | 65 | 9.9 | 9 | 4.5 | 8 | 105.4 | 1.5 |
| HCA-075M | 24 | 12 | 12 | 135 | 181 | 109 | 38 | 31 | M30×1.5 | Ø75 | 80 | 92 | 52 | 63 | Ø9-Ø14 X9D |
32 | 45 | Ø35.5 | PT1/4 | P7 | 53 | 53 | 59.5 | 54.2 | 86.5 | 106 | 74 | 7.5 | 10 | 9.5 | 11 | 122 | 1.5 |
| HCA-090M | 26 | 14 | 12 | 146 | 203 | 120 | 46 | 38 | M39×1.5 | Ø90 | 95 | 107 | 59.5 | 75 | Ø11-Ø17 X11D |
37 | 52.5 | Ø45 | PT3/8 | P7 | 53 | 53 | 59.5 | 54.2 | 89.5 | 109 | 77 | 7.5 | 10 | 9.5 | 11 | 125 | 1.5 |
| HCA-105M | 32 | 16 | 16 | 178 | 240 | 144 | 56 | 44 | M48×1.5 | Ø105 | 110 | 122 | 67 | 88 | Ø14-Ø20 X14D |
45 | 60 | Ø55 | PT3/8 | P7 | 53 | 53 | 59.5 | 54.2 | 106.5 | 126 | 94 | 7.5 | 10 | 9.5 | 16.5 | 147.5 | 1.5 |
| Maß | Gesamthub | Schwenkhub | Spannhub | A1 entspannt | A2 entspannt | B | C | D1 | E1 | ØI | J1 | J2 | J3 | K | L | M | N | Q | Rohrleitungs- anschluss | O-Ring | ØNA | NB | NC | ND | NE | NF | NG |
|---|---|---|---|---|---|---|---|---|---|---|---|---|---|---|---|---|---|---|---|---|---|---|---|---|---|---|---|
| HCA-036N | 13.5 | 5.5 | 8 | 80 | 104 | 64.5 | 25 | 14 | M14×1.5 | Ø36 | 40 | 49 | 29 | 31.4 | Ø4.5-Ø7.5 X5D |
16 | 23.5 | Ø15 | PT1/8 | P5 | 35.5 | 32 | 9.8 | 11.7 | 17 | 25 | M3×0.5×5 |
| HCA-040N | 14.5 | 6.5 | 8 | 88 | 115 | 71.5 | 25 | 16 | M16×1.5 | Ø40 | 45 | 54 | 31.5 | 34 | Ø5.5-Ø9 X6D |
18 | 26 | Ø18 | PT1/8 | P5 | 39.5 | 33 | 9 | 13 | 19 | 29 | M3×0.5×5 |
| HCA-048N | 15.5 | 7.5 | 8 | 96.5 | 128.5 | 79 | 28 | 19 | M20×1.5 | Ø48 | 51 | 61 | 35.5 | 40 | Ø5.5-Ø9 X6D |
22 | 30 | Ø22 | PT1/8 | P5 | 45 | 38.5 | 11 | 14.5 | 21 | 29 | M3×0.5×5 |
| HCA-055N | 18.5 | 8.5 | 10 | 109.5 | 145.5 | 89 | 30 | 22 | M22×1.5 | Ø55 | 60 | 69 | 39 | 47 | Ø6.8-Ø11 X7D |
24 | 33.5 | Ø25 | PT1/8 | P5 | 45 | 38.5 | 11 | 14.5 | 21 | 29 | M3×0.5×5 |
| HCA-065N | 20 | 10 | 10 | 116 | 156 | 94 | 31 | 25 | M27×1.5 | Ø65 | 70 | 81 | 46 | 55 | Ø6.8-Ø11 X7D |
30 | 39.5 | Ø30 | PT1/4 | P7 | 45 | 40.5 | 11 | 14.5 | 21 | 29 | M3×0.5×5 |
| HCA-075N | 24 | 12 | 12 | 135 | 181 | 109 | 38 | 31 | M30×1.5 | Ø75 | 80 | 92 | 52 | 63 | Ø9-Ø14 X9D |
32 | 45 | Ø35.5 | PT1/4 | P7 | 53 | 49 | 13 | 20.5 | 24.5 | 38 | M4×0.7×6 |
| HCA-090N | 26 | 14 | 12 | 146 | 203 | 120 | 46 | 38 | M39×1.5 | Ø90 | 95 | 107 | 59.5 | 75 | Ø11-Ø17 X11D |
37 | 52.5 | Ø45 | PT3/8 | P7 | 53 | 49 | 13 | 20.5 | 24.5 | 38 | M4×0.7×6 |
| HCA-105N | 32 | 16 | 16 | 178 | 240 | 144 | 56 | 44 | M48×1.5 | Ø105 | 110 | 122 | 67 | 88 | Ø14-Ø20 X14D |
45 | 60 | Ø55 | PT3/8 | AP7 | 53 | 57.5 | 17 | 24 | 24.5 | 38 | M4×0.7×6 |
| Model | Spannkraft bei 70 bar | Schwenkhub | Spannhub | Gesamthub | Ölbedarf Spannen | Ölbedarf Entspannen | eff. Kolbenfläche Spannen | eff. Kolbenfläche Entspannen | CAD |
|---|---|---|---|---|---|---|---|---|---|
| [kN] | [mm] | [mm] | [mm] | [cm³] | [cm³] | [cm²] | [cm²] | ||
| HCA-36-D | 2,47 | 5,5 | 8 | 13,5 | 6,48 | 6,63 | 4,78 | 3,54 | |
| HCA-40-D | 3,5 | 6,5 | 8 | 14,5 | 9,29 | 7,25 | 6,41 | 5,0 | |
| HCA-48-D | 4,86 | 7,5 | 8 | 15,5 | 14,27 | 10,77 | 9,21 | 6,95 | |
| HCA-55-D | 7,21 | 8,5 | 10 | 18,5 | 25,27 | 19,06 | 13,66 | 10,3 | |
| HCA-65-D | 9,38 | 10 | 10 | 20 | 37,76 | 26,8 | 18,88 | 13,4 | |
| HCA-75-D | 14,21 | 12 | 12 | 24 | 66,34 | 48,7 | 27,64 | 20,3 | |
| HCA-90-D | 20,65 | 14 | 12 | 26 | 111,28 | 76,7 | 42,8 | 29,5 | |
| HCA-105-D | 28,91 | 16 | 16 | 32 | 119,87 | 132,2 | 62,46 | 41,3 |
| Maß | Gesamthub | Schwenkhub | Spannhub | A1 entspannt | B | C | D1 | W | V | ØBB | ØD | ØDA | DB | DE | DF | E1 | DC | ØDD | ØI | J1 | J2 | J3 | K | L | M | N | Q | Y | Rohrleitungs- anschluss | O-Ring | Z (Fase) |
|---|---|---|---|---|---|---|---|---|---|---|---|---|---|---|---|---|---|---|---|---|---|---|---|---|---|---|---|---|---|---|---|
| HCA-036-D | 13.5 | 5.5 | 8 | 114.5 | 67 | 25 | 14 | 11 | 13 | Ø17 | Ø66 | Ø8 | 8 | M4×10 | 6 | M14×1.5 | 2.5 | Ø25 | Ø36 | 40 | 49 | 29 | 31.4 | Ø4.5-Ø7.5 X5D |
16 | 23.5 | Ø15 | 5 | PT1/8 | P5 | C2 |
| HCA-040-D | 14.5 | 6.5 | 8 | 128 | 74.5 | 25 | 16 | 12 | 15 | Ø20 | Ø73 | Ø12 | 10 | M6×15 | 10 | M16×1.5 | 3 | Ø29 | Ø40 | 45 | 54 | 31.5 | 34 | Ø5.5-Ø9 X6D |
18 | 26 | Ø18 | 6 | PT1/8 | P5 | C3 |
| HCA-048-D | 15.5 | 7.5 | 8 | 141.5 | 82 | 28 | 19 | 14 | 18 | Ø25 | Ø83 | Ø14 | 10 | M8×18 | 12 | M20×1.5 | 3 | Ø36 | Ø48 | 51 | 61 | 35.5 | 40 | Ø5.5-Ø9 X6D |
22 | 30 | Ø22 | 8 | PT1/8 | P5 | C3 |
| HCA-055-D | 18.5 | 8.5 | 10 | 158.5 | 92 | 30 | 22 | 15 | 21 | Ø28 | Ø88 | Ø14 | 10 | M8×18 | 12 | M22×1.5 | 3 | Ø36 | Ø55 | 60 | 69 | 39 | 47 | Ø6.8-Ø11 X7D |
24 | 33.5 | Ø25 | 8 | PT1/8 | P5 | C3 |
| HCA-065-D | 20 | 10 | 10 | 169 | 97 | 31 | 25 | 16 | 24 | Ø34 | Ø106 | Ø14 | 10 | M8×18 | 12 | M27×1.5 | 3 | Ø43 | Ø65 | 70 | 81 | 46 | 55 | Ø6.8-Ø11 X7D |
30 | 39.5 | Ø30 | 10 | PT1/4 | P7 | C4 |
| HCA-075-D | 24 | 12 | 12 | 194 | 112 | 38 | 31 | 16 | 30 | Ø40 | Ø116 | Ø18 | 10 | M10×21 | 16 | M30×1.5 | 3 | Ø50 | Ø75 | 80 | 92 | 52 | 63 | Ø9-Ø14 X9D |
32 | 45 | Ø35.5 | 10 | PT1/4 | P7 | C5 |
| HCA-090-D | 26 | 14 | 12 | 216 | 123 | 46 | 38 | 18 | 37 | Ø49 | Ø136 | Ø18 | 10 | M10×21 | 16 | M39×1.5 | 3 | Ø65 | Ø90 | 95 | 107 | 59.5 | 75 | Ø11-Ø17 X11D |
37 | 52.5 | Ø45 | 14 | PT3/8 | P7 | C6 |
| HCA-105-D | 32 | 16 | 16 | 253 | 147 | 56 | 44 | 19 | 43 | Ø60 | Ø152 | Ø18 | 10 | M10×21 | 16 | M48×1.5 | 3 | Ø80 | Ø105 | 110 | 122 | 67 | 88 | Ø14-Ø20 X14D |
45 | 60 | Ø55 | 14 | PT3/8 | P7 | C6 |

| Model | HCA-036 | HCA-040 | HCA-048 | HCA-055 | HCA-065 | HCA-075 | HCA-090 | HCA-105 |
|---|---|---|---|---|---|---|---|---|
| B | 14 | 16 | 19 | 22 | 25 | 31 | 38 | 44 |
| D | 10.5 | 10.5 | 12.5 | 14.5 | 16.5 | 17.5 | 17.5 | 20.5 |
| D1 | 17 | 19 | 23 | 26 | 29 | 35 | 43 | 50 |
| D2 | 25 | 32 | 40 | 45 | 50 | 58 | 75 | 90 |
| E | 17 | 20 | 25 | 28 | 34 | 40 | 49 | 60 |
| F | 15 | 17 | 21 | 23 | 29 | 33 | 42 | 51 |
| G | 8 | 9 | 11.5 | 13 | 15.5 | 18 | 22.5 | 28 |
| H | 4 | 4 | 5 | 6 | 6 | 8 | 8 | 10 |
HCA Hydraulischer Schwenkspanner - CAD-Daten
- HCA-036SR-90 mit einseitigem Spannarm
- HCA-036D-90 mit doppelseitigem Spannarm
- HCA-040SR-90 mit einseitigem Spannarm
- HCA-040D-90 mit doppelseitigem Spannarm
- HCA-048SR-90 mit einseitigem Spannarm
- HCA-048D-90 mit doppelseitigem Spannarm
- HCA-055SR-90 mit einseitigem Spannarm
- HCA-055D-90 mit doppelseitigem Spannarm
- HCA-065SR-90 mit einseitigem Spannarm
- HCA-065D-90 mit doppelseitigem Spannarm
- HCA-075SR-90 mit einseitigem Spannarm
- HCA-075D-90 mit doppelseitigem Spannarm
- HCA-090SR-90 mit einseitigem Spannarm
- HCA-090D-90 mit doppelseitigem Spannarm
- HCA-105SR-90 mit einseitigem Spannarm
- HCA-105D-90 mit doppelseitigem Spannarm
Alle CAD-Dateien im STEP-Format. Weitere Größen oder Sonderausführungen auf Anfrage.
