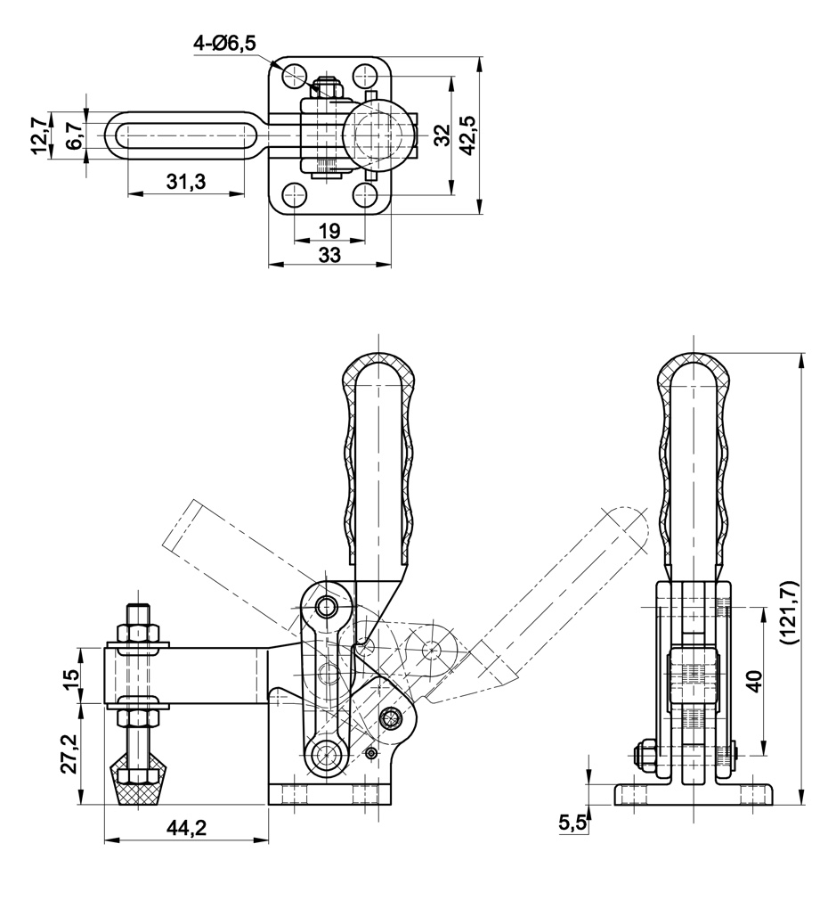
CH-70300B Vertikal-Kniehebelspanner mit waagrechtem Fuß
Senkrechtspanner mit senkrechtem Fuß in schwerer Ausführung :
- Senkrechtspanner in schwerer Ausführung für schwere Lasten
 - waagrechter, abgewinjelter Fuß
 - Robuster U-Spannarm für eine individuelle Einstellung des Andrückspindels
 - Material : gesenkgeschmiedeter, legierter Stahl, brüniert und gehärtet
 - Geriebene und einsatzgehärtete Lagerbuchsen.
 - Bolzen sind gehärtet, geschliffen und besonders langlebig.
 - Robuster, vertikaler Haltegriff
 - Gesamthöhe: 127mm
 - Höhe unter der Spannarm: 27.2mm
 - Spannarmlänge: 44.2mm
 - max. Haltekraft: 300N
 - Gewicht: 310g
 
Anwendungsgebiete :
- Automobilindustrie, blechverarbeitende Industrie, Vorrichtungs- und allgemeiner Maschinenbau zum Spannen, Halten, Greifen, Positionieren, Montieren, Schweißen und Löten von Blechen und anderen Teilen in Vorrichtungen und Handlingsystemen
 - Preis und CAD-Daten auf Anfrage !
 
| Modell-Nr. | CH-70300B | 
|---|---|
| Haltekraft (N) | 3000 N | 
| Gewicht (g) | 310 g | 
| Spannarm-Öffnungswinkel | 34°-130° | 
| Handgriff-Öffnungswinkel | 45°-92° | 
| Preis (€) | auf Anfrage | 


