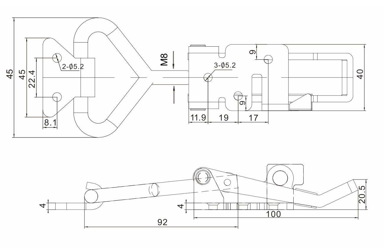
4003-S Verschliessbarer Spannverschluss mit Schlossöse und Sicherung
Spannverschluss einstellbar mit Schlossöse und Sicherung:
- Einstellbarer Spannverschluss zum schnellen, einfachen und sicheren Verschliessen von Deckeln, Klappen, Behältern, Kisten usw..
 - sicheres Verschlusssystem für industrielle Anwendungen/industriellen Einsatz
 - Mit integrierter Sicherung gegen unbeabsichtigtes Aufspringen
 - Die Schlossöse ermöglicht eine zusätzliche Sicherung mit einem Vorhängeschloss
 - Durch die Totpunktüberschreitung wird ein vibrationsloses Halten ermöglicht
 - Durch den Hubweg des Spannhakens werden die zu verbindenden Teile beim Spannen zusammengezogen.
 - Der Verstellbereich wird über die Spindel des Spannhakens eingestellt
 - Der Spannbügel mit rotem Gummi überzogen, für besseren Griff/Halt und Sichtbarkeit
 - max. Haltekraft : 3000N
 - komplett mit Gegenhalter
 - Gewicht : 255gr
 
Hinweis :
- Die Spannverschlüsse können angeschraubt oder angenietet werden
 - Modellnr. 4003-S : verzinkte Stahlausführung
 - Modellnr. 4003-S-SS : nicht rostende Ausführung in Edelstahl
 - Preise auf Anfrage !
 

