CTC-K Hydraulischer Einschraubzylinder - Druckzylinder
Hydraulikzylinder-Druckzylinder mit Gewindegehäuse :
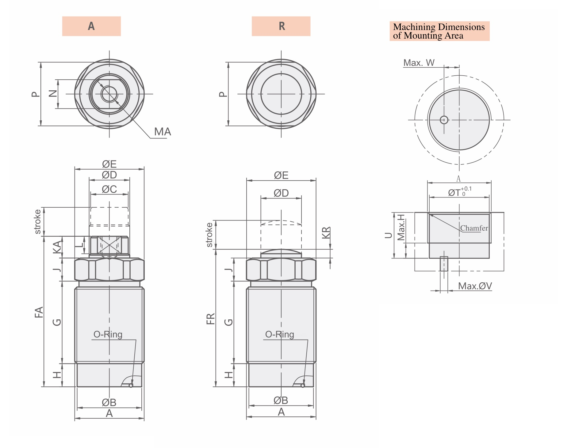
- Kleine kompakte Hydraulikzylinder in Einschraubversion (Druckzylinder)
- minimaler Plaztbedarf und einfache Montage
- Der Einschraubzylinder kann bis zum Sechskant in Vorrichtungskörper versenkt werden.
- geeignet für Spannvorrichtungen aller Art
- robust, zuverlässig und langlebig
- Ölzufuhr über Bohrungen/Ölkanäle im Vorrichtungskörper.
- hohe Spannkräfte
- einfach wirkend mit Federrückzug
- Max. Betriebsdruck : 250 bar (kgf/cm2)
- Min. Betriebsdruck : 20 bar (kgf/cm2)
Hinweis :
- Bitte nicht im eingefahrenen Zustand belasten !
- Einschraubzylinder nicht ohne Werkstück betreiben !
- Die Zylinder sind von direkter Einwirkung von aggressiven Schneid- und Kühlflüssigkeiten zu schützen und sollten unten zusätzlich mit der mitgelieferten lecksicheren Dichtung betrieben werden.
- Preise auf Anfrage !
Produktdatenblatt (Download)
Beispiel Bestellnummer : CTC-K024AL
| BAUREIHE | CTC-K | |
| Baugröße |
024 : Außengewinde M24x1.5 030 : Außengewinde M30x1.5 036 : Außengewinde M36x1.5 045 : Außengewinde M45x1.5 055 : Außengewinde M55x2.0 |
|
| Ausführung Kolbenstange | A : Kolbenstange mit Gewindekopf / mit Innengewinde R : Kolbenstange mit Rundkopf / balliger Kolbenstange |
|
| Hub-Code |
S : Kurzhub M : Standardhub L : Langhub |
Spezifikationen :

