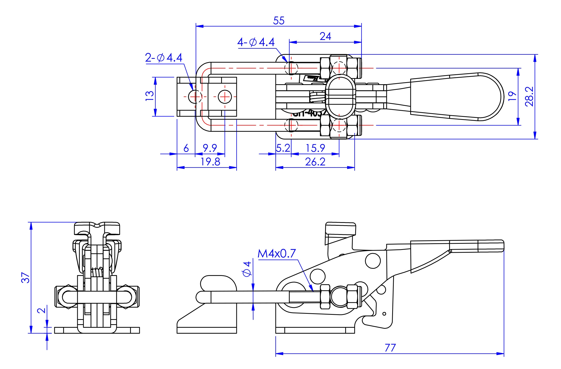
DST-40323-SS Verschlussspanner-Bügelspanner EDELSTAHL
Verschlussspanner/Bügelspanner horizontal-nicht rostend (Edelstahl)
- Schnelles und sicheres Verschließen von Formen, Deckeln, Klappen und Behältern
- Zugbügel und Fuß stehen waagrecht zur Begestigungsfläche
- komplett mit Zugbügel M4x57mm und Gegenhalter
- U-Zugbügel mit Gewinde innerhalb des Hubweges in der Länge verstellbar
- längere Bügel sind optional auf Anfrage erhältlich (M4x78mm).
- Material : EDELSTAHL (rostfreie Ausführung)
- auch in verzinktem Stahl verfügbar (Modellnummer DST-40323)
- ergonomischer Kunststoffgriff
- max. Haltekraft von 1630N
- Gewicht : 70g
Hinweis :
- ersetzt u.a. 323-SS, 323-RSS, GN 851-160-T2-NI, CH-40323-SS, GH-40323-SS usw...
- optional mit Sicherheitsverriegelung verfügbar (Modellnummer DST-40323-RSS)
- Besonders für die Lebensmittel- und Pharmaindustrie geeignet
- Preis und CAD-Daten auf Anfrage !



